本号拟对SEMA规范(Code of Practice for the Design of Adjustable Pallet Racking)做一些简单的介绍,不定期推出系列文章简述货架结构设计内容,以飨读者。本篇为第五篇。
横梁与立柱连接区域范围内的所有组件构成了梁柱节点。对于货架结构,梁柱节点的主要组件为挂片,还包括节点范围内的部分立柱与横梁、螺栓或插销。
梁柱节点的性能对货架结构与构件的设计都有重要的影响。梁柱节点的性能参数包括初始松动、弯曲承载力、弯曲刚度、剪切承载力、安全插销抗剪承载力。
初始松动
梁柱节点的初始松动意味着横梁与立柱之间的角度,在安装后是可以随意转动的,转动幅度即为初始松动的大小。初始松动会在货架初始安装倾斜的基础上进一步增加倾斜,因此需要在结构设计中予以考虑。规范给出了初始松动的测试方法,装置示意图如下所示,规范给出的数据处理方法不予赘述。
弯曲承载力与弯曲刚度
梁柱节点的弯曲承载力与弯曲刚度,对结构(尤其是没有垂直拉杆的结构)的侧向稳定性有重要影响,同时对横梁的设计有影响。由于货架的梁、柱与挂片样式多种多样,理论计算困难,规范规定通过测试获得梁柱节点的弯矩-转角曲线,然后经过处理得到相应的承载力与刚度参数。
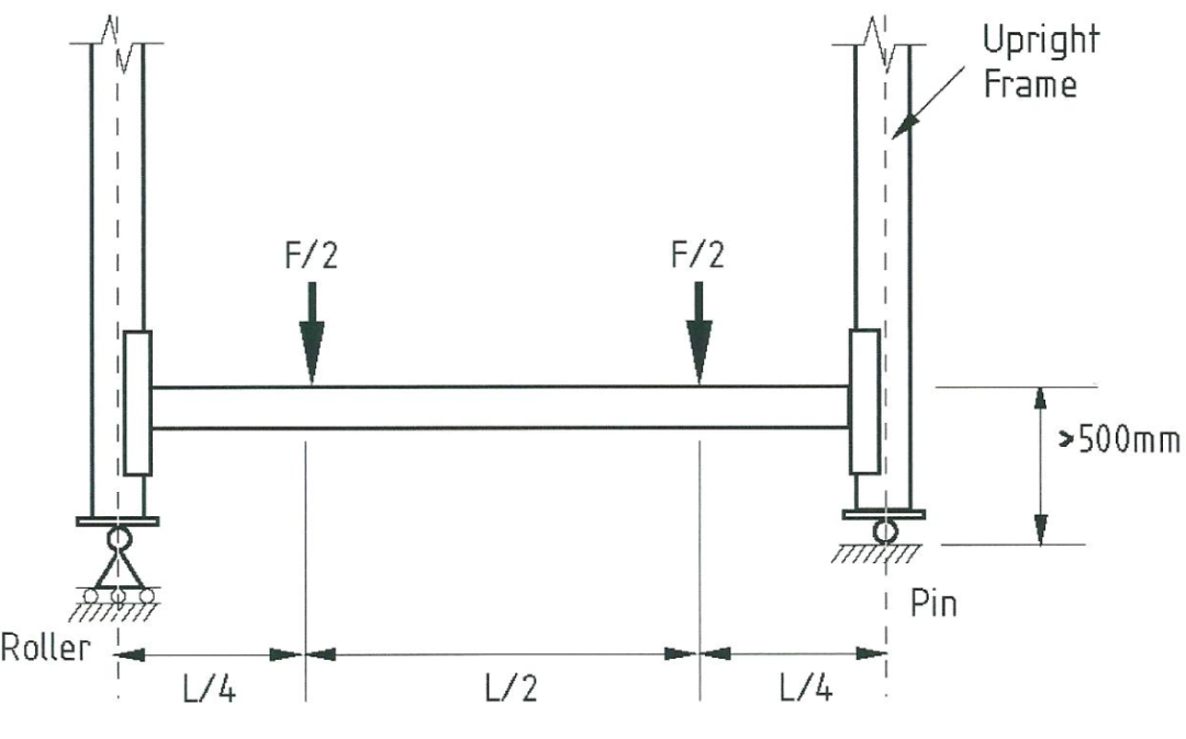
剪切承载力与安全插销剪切承载力
梁柱节点除了受到弯矩外,还受到剪力作用,抗剪承载力同样也是通过测试确定。另外为了防止横梁端部挂片挂齿从立柱孔中脱出,应设置安全插销,安全插销应能抵抗5kN的剪力。规范给出的两个参数的测试装置相同,如下。
对于正常使用极限状态,横梁跨中相对于两端的挠度不应超过跨度的1/200(有特殊需求时按照实际取值),横梁截面绕横梁纵轴的转动不应超过0.1弧度。对于承载力极限状态,横梁的弯曲承载力应能满足设计荷载的需求。
7.1 侧向稳定的横梁
如果横梁截面是闭口的,或者受弯时截面没有非加劲板件受压,那么可以认为横梁侧向是稳定的。典型示例如下图所示,横梁绕y-y轴弯曲,且截面上部受压,下部受拉。
弯曲承载力与挠度
考虑梁柱节点弯曲刚度的影响,一根横梁的弯曲承载力Wult为下列两式计算的较小值:
其中,Mc为考虑有效面积(受压薄壁构件必须考虑)的横梁截面弯矩承载力;Mconn为梁柱节点的弯曲承载力;Kb为梁柱节点弯曲刚度;L或Lb为横梁跨度,Ib为横梁截面惯性矩;Ke为考虑立柱弯曲刚度的修正梁柱节点弯曲刚度,按下式计算:
其中,Ic为立柱截面惯性矩,h为横梁间距。
考虑梁柱节点弯曲刚度的影响,一根承载为W的横梁最大挠度为:
腹板剪切
按照合理的弹性分析方法计算的腹板最大剪应力,不应超过0.7py,py为钢材设计强度。
腹板平均剪应力不应超过剪切屈服强度pv,亦不能超过剪切屈曲强度qcr:
其中,D为腹板高度,t为腹板厚度。
腹板压屈
在距离横梁端部1.5倍横梁腹板高度的位置,有一个集中荷载作用时,每个腹板的压屈承载力Pw为:
其中,N为承压长度,单位mm;D为腹板高度,单位mm;r为内经,单位mm;t为腹板厚度,单位mm;k=py/228。
弯曲与剪切组合
对于同时承受弯曲与剪切的横梁腹板,应满足下式:
其中,Fv为剪力,Pv为剪切承载力;M为Fv作用点对应的弯矩,Mc同前。
弯曲与腹板压屈组合
承受集中荷载的横梁,腹板同时弯曲与压屈,应满足下式:
其中,Fw为集中荷载,Pw为腹板压屈承载力。
7.2 侧向扭转屈曲的横梁
对于容易发生侧向扭转屈曲的横梁,比如卷边槽钢截面横梁绕对称轴弯曲,应参考BS 5950:Part5的相关条文计算,或者通过测试进行设计。规范给出了进行横梁弯曲承载力的测试方法。
悠米下载安卓版提供自动化立体仓库高层货架、库架一体货架以及各种平库货架(包括且不限于横梁式、穿梭车式、悬臂式、后推式、重力式、阁楼式与钢优米官网app等)的结构设计、施工质量检测与使用维护检测等一系列专业技术优米体育入口官网下载app。期待与您交流。
本站的原创文章,请转载时务必注明出处:悠米下载安卓版WESAFE,不尊重原创的行为我们将追究责任。